Основные преимущества:
- продукция премиум класса;
- комбинированный массив дуба;
- гравировка и резьба по дереву;
- рельефные массивные декоры;
- маркировка полотна фирменной шильдой;
- богатое портальное обрамление полотен;
- высокий процент ручного труда.
Стандартный комплект включает в себя:
- дверное полотно выбранного размера;
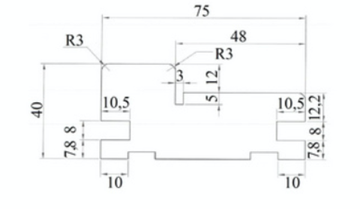
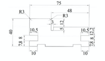
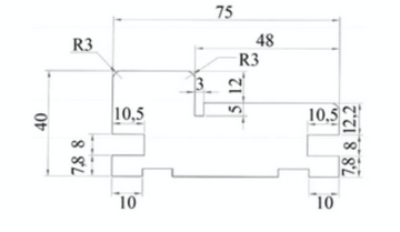
- коробка из массива, с уплотнителем 75x40x2040 мм - 2,5 шт;
- наличник из массива, прямой 80x15x2140 мм - 5 шт.
Фурнитура, доборы и декоративные элементы - в комплект не входят.
Дополнительная комплектация:
- карнизы, фризы, розетки, бордюры, плинтус.
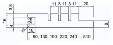
Размеры доборов, которыми можно укомплектовать дверь:
- 90х15х2040 мм;
- 130х15х2040 мм;
- 190х15х2040 мм;
- от 200 до 510 мм.
Доборы изготавливаются на выбор из MDF или из массива дуба. Из массива бука и ясеня доборы не изготавливаются.
Обратите внимание:
- возможно изготовление дверей нестандартного размера высотой до 2300 мм;
- возможен индивидуальный выкрас изделий по каталогу RAL;
- возможно изготовление компланарной коробки и наличника.


